Laboratorio VI Artes Electrónicas

Taller de Técnicas y Montaje

Materiales para la cursada

Listado de equipamiento, componentes de electrónica, elementos de mecánica, materiales, herramientas y accesorios

Cronograma

Controladores para el chip CH340

Técnicas

Etapas de potencia

Etapa de potencia con transistor TIP120

Etapa de potencia con transistor MOSFET: RFP30N06LE o IRFZ44N

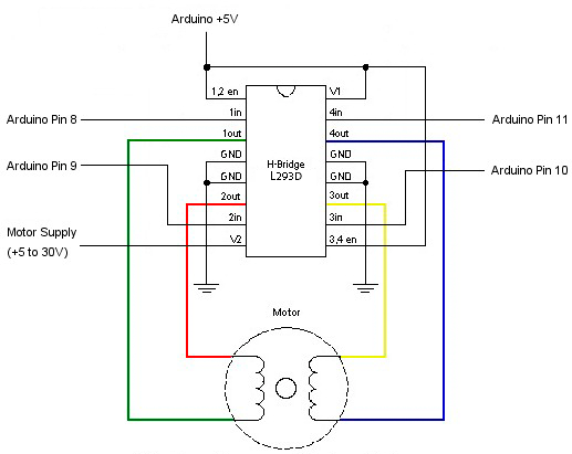
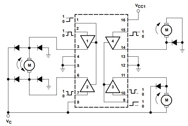
Circuitos puente H con integrado L293D

Datasheets TIP120, ULN2803 y L293D

Tutorial MOSFET

Motores CC

Esquema de motor CC

Control PWM unidireccional de motores CC (con etapa de potencia)

Apunte control bidireccional de motores CC

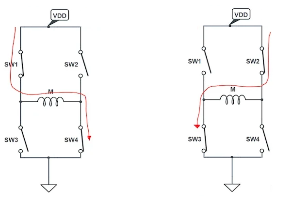
Esquema de puente H

Control bidireccional de motores CC

Control bidireccional de motores CC con memoria

Otros ejemplos con motores CC bidireccionales usando L293D

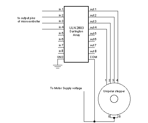
Motores paso a paso (Stepper)

Apunte de motores stepper

Motores stepper unipolares

Secuencias de pasos para steppers unipolares

Motores stepper bipolares con puentes H y librería Stepper

Motores stepper bipolares con puentes H y librería AccelStepper

Motores stepper bipolares con driver A4988T (Pololu)

Servomotores

Apuntes de servomotores

Probador de servomotor

Barrido con servomotor

Control de servomotores con la función writeMicroseconds

Encoders e interrupciones

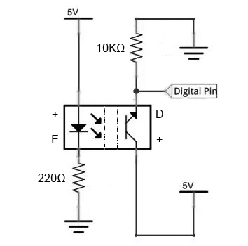
Conexión sensor TCST2103 (optoacoplador)

Datasheet TCST2103

Sensor Optico Horquilla Velocidad Tacometro Lm393

Sensor de efecto Hall

Esquema de interrupción por hardware

Encoder simple

Encoder para medir velocidad angular (rpm)

Construcción de soportes para dispositivos mecánicos

Manejo de herramientas

Herramientas eléctricas

Producción de un mecanismo de accionamiento mecánico

Diseño de soporte para transmisión por engranaje

Montaje para exhibición pública de obra

Apunte sobre montaje e iluminación

Elementos/Artefactos de montaje

Referencias y bibliografía

Proyectos y librerías para Arduino

Instructables - Arduino Projects

Arduino Project Hub

Arduino Playground

Fritzing projects

Arduino

Arduino in a Nutshell 1.13. Jan Borchers, 2015. Versión en PDF.

Programming Arduino: Getting Started with Sketches 2nd Edition. Simon Monk, McGraw-Hill Education, 2016.

Arduino Programming Notebook. Brian Evans, 2007. Versión en PDF español.

Getting Started with Arduino. Massimo Banzi, Michael Shiloh. Maker Media, 2015.

Arduino Cookbook, 3rd Edition. Michael Margolis, Brian Jepson, Nicolas Weldon, O'Reilly Media, 2020.

Making Things Talk: Practical Methods for Connecting Physical Objects, 3rd Edition. Tom Igoe. Make: Community, 2017.